Induction Cooker Deals

Fuel Pump Resistor Supercharged 3800

Boost A Pump Kenne Bell

Boost A Pump Kenne Bell

Replacing Fuel Pump On 2002 Xjr Page 2 Jaguar Forums

Replacing Fuel Pump On 2002 Xjr Page 2 Jaguar Forums

Fiero 3800 Engine Swap Info

Fiero 3800 Engine Swap Info


Fiero 3800 Engine Swap Info
Fiero 3800 Engine Swap Info

Fiero 3800 Engine Swap Info

Mallory Universal Canister Coil 12 Volt 1 36 Ohms

Mallory Universal Canister Coil 12 Volt 1 36 Ohms

What Part Is This Gm Forum Buick Cadillac Olds Gmc

What Part Is This Gm Forum Buick Cadillac Olds Gmc

2004 2005 Chevy Gm Duramax Diesel Lly Fuel Injection Control Module Ficm 6 6l Reman

2004 2005 Chevy Gm Duramax Diesel Lly Fuel Injection Control Module Ficm 6 6l Reman

Anyone Worked With The 16196397 Yet Archive Gearhead

Anyone Worked With The 16196397 Yet Archive Gearhead

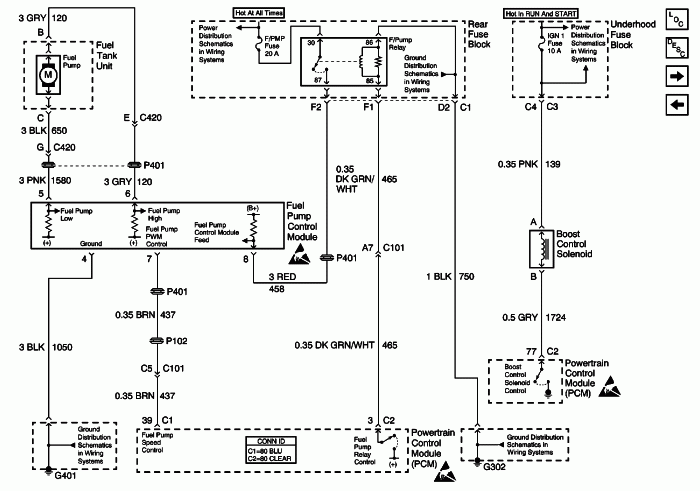
Two Speed Fuel Pump More Pennock S Fiero Forum

Two Speed Fuel Pump More Pennock S Fiero Forum

Pontiac Grand Prix Questions I Have A 1997 Grand Prix Gtp

Pontiac Grand Prix Questions I Have A 1997 Grand Prix Gtp

Acdelco 88951182 Gm Original Equipment Fuel Pump Resistor

Acdelco 88951182 Gm Original Equipment Fuel Pump Resistor

Pontiac Grand Prix Questions 2000 Pontiac Grand Prix Will

Pontiac Grand Prix Questions 2000 Pontiac Grand Prix Will

Supercharged 1999 Pontiac Grand Prix Gtp For Sale 28825b

Supercharged 1999 Pontiac Grand Prix Gtp For Sale 28825b

W Bodytech Howto Bypass The Fuelpump Relay On Any 1997 2008 Gm W Body Vehicle

W Bodytech Howto Bypass The Fuelpump Relay On Any 1997 2008 Gm W Body Vehicle

About Us

About Us

Comments